ပရော်ဖက်ရှင်နယ်ထုတ်လုပ်သူတစ် ဦး အနေဖြင့် SehnaidAider Electric သည်သင့်အားအရည်အသွေးမြင့် CH3 စီးရီးဆက်သွယ်ရန်အကွက်ကိုပေးလိုပါသည်။ ငါတို့သည်သင်တို့ကိုအကောင်းဆုံးရောင်းချမှုနှင့်အချိန်မီဖြန့်ဝေပေး။ Contact box ကို APG (Casting) ဖိအား gelating gelating technies နှင့်အတူ epoxy ဗဓေလသစ်ဖြင့်ဖွဲ့စည်းသည်။ ၎င်းကိုလက်ကမ်းစာစောင် switch comport sitch come ်ဌာန်းခြင်းနှင့်ဆက်သွယ်မှုအကူးအပြောင်းအတွက်အသုံးပြုသည်။
1 ။ ထုတ်ကုန် epoxy resin ပစ္စည်းချမှတ်
2 ။ ဒါဟာမြင့်မားသော insulator ကို, ပြင်းထန်မှုနှင့်တည်ငြိမ်မှုအဆင့်မြင့်မားသည်။
3 ။ ၎င်းသည်အသုံးပြုသူ၏ရွေးချယ်မှုအတွက်လျှပ်စစ်စီးဆင်းမှုအပေါ် အခြေခံ. ကွဲပြားခြားနားသောသတ်မှတ်ချက်များကိုထောက်ပံ့ပေးသည်
4 ။ Contact box ကို APG နည်းပညာဖြင့် Epoxy မှဖွဲ့စည်းသည်
ပုံမှန်အလုပ်လုပ်ပတ်ဝန်းကျင်
1 ။ အမြင့်: ≤1000m
2 ။ -30ºCသို့ပတ် 0 န်းကျင်ပတ်ဝန်းကျင်အပူချိန်တွင်နေ့စဉ်ပျမ်းမျှအပူချိန်သည် 30 ခုထက်မပိုသင့်ပါ။
3 ။ နေ့စဉ်ပျမ်းမျှပျမ်းမျှဆွေမျိုးစိုထိုင်းဆသည် 95% အောက်သာရှိသည်။ ပျမ်းမျှလစဉ်သည် 90% အောက်သာရှိသည်။
4 ။ အလုပ်လုပ်သည့်ပတ် 0 န်းကျင်သည်ရေနွေးငွေ့, ဓာတ်ငွေ့, ဓာတုဓာတ်အားပေးစက်ခြင်း, ဆားမြူ, ဖုန်မှုန့်များ, ဖုန်မှုန့်များ, ဖုန်မှုန့်များ,
5 ။ အလုပ်လုပ်သည့်ပတ် 0 န်းကျင်သည်ပုံမှန်တုန်ခါမှုသို့မဟုတ်ပြင်းထန်သောပြောင်မှုများမဖြစ်သင့်ပါ။
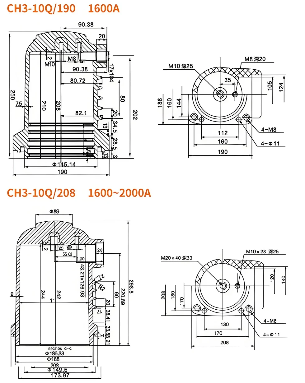
| မော်ဒယ်အမည်: | Ch3-12 / 190 Contact Bok |
| ကုန်အမှတ်တံဆိပ်: | uyond |
| : | ဆက်သွယ်ရန် box |
| လျှောက်လွှာ - | High ဗို့အား / switchgear |
| အရောင် | အညိုရောင်, အနီရောင် |
| ထုတ်ကုန်အသိအမှတ်ပြုလက်မှတ်: | CE နှင့် ISO 9001: 2000 |
| rated ဗို့အား: | 12KV |
| rated လက်ရှိ: | $ 1250-1600a |
| MOQ: | 10pcs |
| ထုပ်ပိုး: | 1. တစ်ခုကပလတ်စတစ် fim နဲ့ပတ်ထားတယ် 2 ။ ပုံးထဲမှာထုပ်ပိုး 3.Carts ကိုသစ်သားသေတ္တာထဲမှာတံဆိပ်ခတ်ထားတယ် 4 |
| port ကိုတင်ခြင်း: | ရှန်ဟိုင်းဆိပ်ကမ်း / Ningbo ဆိပ်ကမ်း |
| ငွေပေးချေမှုဝေါဟာရများ: | L / C, T / T, Western Union |
| ပို့ဆောင်ချိန်: | 15 ရက်အတွင်းမှာအမိန့်ကိုအမိန့်အပေါ်မူတည်သည် |
| အပိုဆောင်း: | 1.OEM ကြိုဆိုပါတယ် 2 ။ qually qually & limely dvivery 3 ။ ကျိုးကြောင်းဆီလျော်သောစျေးနှုန်း 4 ။ ဒီဇိုင်းများနှင့်သတ်မှတ်ချက်များအမျိုးမျိုး၌တည်၏ |


လိပ်စာ
Xiangyang စက်မှုဇုန်, Yueqing, zhejiang, တရုတ်
Tel
အီးမေး