zhejiang sehnanaider လျှပ်စစ်လေ, Ltd ။
zhejiang sehnanaider လျှပ်စစ်လေ, Ltd ။
ထုတ်ကုန်များ
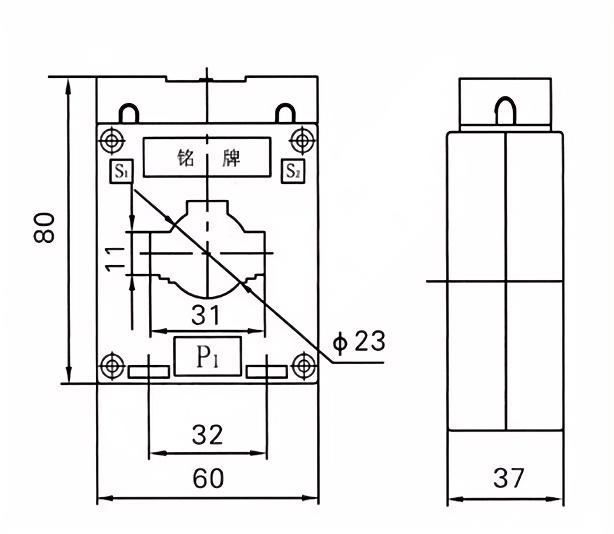
BH-0.66-30 လက်ရှိထရန်စဖော်မာ
  • BH-0.66-30 လက်ရှိထရန်စဖော်မာBH-0.66-30 လက်ရှိထရန်စဖော်မာ

BH-0.66-30 လက်ရှိထရန်စဖော်မာ

BH-0.66-30 လက်ရှိထရန်စဖော်မာ (CTS) သည်တိကျမှန်ကန်သောလက်ရှိတိုင်းတာခြင်းနှင့်စောင့်ကြည့်လေ့လာခြင်းအတွက်ဒီဇိုင်းပြုလုပ်ထားသောတိကျသောအင်ဂျင်နီယာကိရိယာများဖြစ်သည်။ 0.66KV ၏အဆင့်သတ်မှတ်ချက် insulator voltspage ဖြင့်ဤထရန်စဖော်မာများသည်စွမ်းအင်စီမံခန့်ခွဲမှု, အကာအကွယ်ထပ်ဆင့်လွှင့်ခြင်းနှင့်မီတာအသုံးပြုခြင်းအတွက်အကောင်းဆုံးဖြစ်သည်။

အင်္ဂါရပ်များ:

မြင့်မားသောတိကျမှု - IEC 61869 စံနှုန်းများနှင့်ကိုက်ညီပြီးငွေတောင်းခံခြင်းနှင့်စောင့်ကြည့်လေ့လာခြင်းအတွက်ယုံကြည်စိတ်ချရသောစွမ်းဆောင်ရည်ကိုသေချာစေသည်။

Compact Design: တင်းကျပ်သောနေရာများတွင်လွယ်ကူစွာတပ်ဆင်ရန်အာကာသချွေတာဆောက်လုပ်ရေး။

ကျယ်ပြန့်သောလက်ရှိအကွာအဝေး - မူလတန်း current ကို 30A အထိ, မတူကွဲပြားသောစက်မှုလုပ်ငန်းနှင့်စီးပွားဖြစ်ဝန်များအတွက်သင့်တော်သည်။

တာရှည်ခံပစ္စည်းများ - ကြံ့ခိုင်သောအိမ်ရာသည်ပတ် 0 န်းကျင်ဆိုင်ရာအချက်များနှင့်စက်ပိုင်းဆိုင်ရာစိတ်ဖိစီးမှုများကိုခုခံနိုင်စွမ်းရှိသည်။

အန္တရာယ်ကင်းရှင်းရေးလိုက်နာမှု - BH-0.66-30 လက်ရှိ Transformers သည်နိုင်ငံတကာလုံခြုံရေးနှင့်စွမ်းဆောင်ရည်လက်မှတ်များနှင့်လိုက်ဖက်သည်။


လျှောက်လွှာများ:

လျှပ်စစ်ဖြန့်ဖြူးရေးစနစ်များအတွက်စွမ်းအင်မီတာ။

circuit breaker များနှင့်ထပ်ဆင့်လွှင့်အတွက် overcurrent ကာကွယ်စောင့်ရှောက်ရေး။

Smart Grid နှင့် Iot-based စောင့်ကြည့်လေ့လာရေးဖြေရှင်းနည်းများနှင့်ပေါင်းစည်းခြင်း။

နည်းပညာဆိုင်ရာသတ်မှတ်ချက်များ

rated ဗို့အား: 0.66Kv

ကြိမ်နှုန်း: 50 / 60hz

တိကျမှန်ကန်မှုသင်တန်း - 0.5, 1.0 (စိတ်ကြိုက်)

ဝန်ထုပ်ဝန်ပိုးလိုအပ်ချက်များအရ 0 န်ဆောင်မှုပေးသည်


အဓိကနည်းပညာဆိုင်ရာ parameters တွေကို

မူလတန်းအဆင့်သတ်မှတ်
လက်ရှိ (က)
ဟုတ်မှန်ရေး
အတန်း
ပူးပေါင်းခြင်း
အလယ်တန်းရလဒ် (VA) အပူလက်ရှိ (KA) ဖြစ်ပါတယ် rated dynamic လက်ရှိ (KA)
0.2 (များ) 0.2 0.5 10p10
5-40 0.2 / 10p10
0.5 / 10p10
/ 10 10 15 90lin 220lin
5-40 100lin 250lin
5-40 20 50
5-40
5-40 36 90
10
5-40 45 100
5-40 56 100
5-40
5-40 80 110
5-40 100 110


Hot Tags: BH-0.66-30 လက်ရှိထရန်စဖော်မာ
စုံစမ်းမေးမြန်းရန်ပေးပို့ပါ။
ဆက်သွယ်ရန်အချက်အလက်
အကယ်. သင့်တွင်ကိုးကားခြင်းနှင့်ပူးပေါင်းဆောင်ရွက်မှုနှင့် ပတ်သက်. မေးမြန်းလိုပါက River@dahuelec.com တွင်အမေရိကန်သို့အီးမေးလ်ပို့ပါသို့မဟုတ်အောက်ပါစုံစမ်းရေးပုံစံကိုသုံးပါ။ ကျွန်ုပ်တို့၏အရောင်းကိုယ်စားလှယ်သည် 24 နာရီအတွင်းသင့်အားဆက်သွယ်ပါလိမ့်မည်။ ကျွန်ုပ်တို့၏ထုတ်ကုန်များကိုစိတ်ဝင်စားသည့်အတွက်ကျေးဇူးတင်ပါသည်။
သတင်းအကြံပြုချက်များ
X
သင့်အား ပိုမိုကောင်းမွန်သောကြည့်ရှုမှုအတွေ့အကြုံကို ပေးဆောင်ရန်၊ ဆိုက်အသွားအလာကို ပိုင်းခြားစိတ်ဖြာပြီး အကြောင်းအရာကို ပုဂ္ဂိုလ်ရေးသီးသန့်ပြုလုပ်ရန် ကျွန်ုပ်တို့သည် ကွတ်ကီးများကို အသုံးပြုပါသည်။ ဤဆိုက်ကိုအသုံးပြုခြင်းဖြင့် ကျွန်ုပ်တို့၏ cookies အသုံးပြုမှုကို သင်သဘောတူပါသည်။ ကိုယ်ရေးအချက်အလက်မူဝါဒ
ငြင်းပယ်ပါ။ လက်ခံပါတယ်။